Pressurized vessel P&ID example
This template works on the following products:
*For Team and Enterprise plans
This basic pressurized vessel P&ID template can help you:
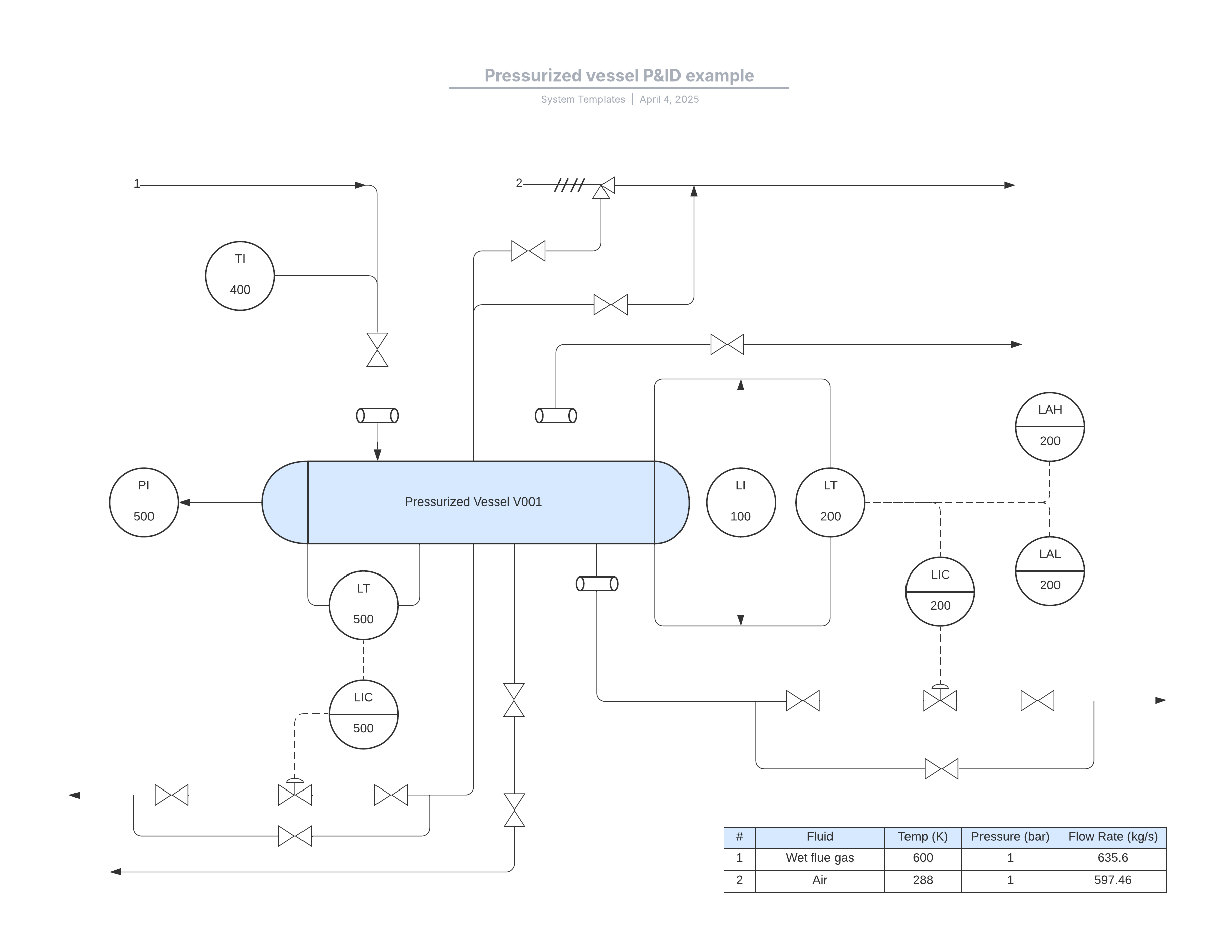
- Show the functional relationship of piping, instrumentation, and system equipment components used in the field of instrumentation and control or automation.
- Streamline an existing process.
- Safely replace a piece of equipment.
Open this template to view a basic pressurized vessel P&ID example that you can customize to your use case.
Related templates
Business model canvas with sticky notes
Used with:

Go to Business model canvas with sticky notes template
Data 360: Healthcare Provider Relationship Management
Used with:

Go to Data 360: Healthcare Provider Relationship Management template