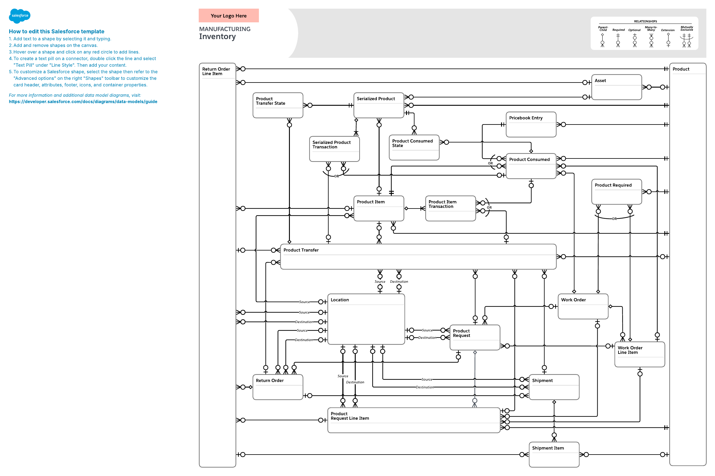
Manufacturing – Inventory
This template works on the following products:
*For all Lucid plan types
Related templates
Market-based divisional org chart example
Used with:

Go to Market-based divisional org chart example template
Health Cloud: Documentation Templates and Rules
Used with:

Go to Health Cloud: Documentation Templates and Rules template